

Home > Products >Manual Quarter Turn Gearbox
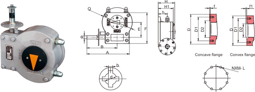
The series is a 90° (± 5° adjustable) part of the rotary manual drive device. Suitable for ball valves, butterfly valves, plug valves and other types of valves. The box is made of nodular cast iron with novel style and beautiful appearance. Flange all using ISO 5211 international standards, and the valve is more convenient.Ambient temperature

| Model | YZQ-24 | YZQ-36 | YZQ-41 | YZQ-47 | YZQ-68 | ||||||||||||
| TECHNICAL-PARAMETERS | |||||||||||||||||
| Ratio | 80 | 100-125 | 150 | 200 | 250-300 | ||||||||||||
| Input torque N.m | 7.2 | 10.7 | 12.3 | 12.5 | 17.4 | ||||||||||||
| Output-torque Nm | 125 | 150-200 | 250-300 | 300-350 | 350-400 | ||||||||||||
Mechanical efficiency M.A.±10% | 60 | 75 | 110 | 160 | 190 | ||||||||||||
| Butterfly valve DN | 430 | 800 | 1350 | 2000 | 3300 | ||||||||||||
| Ball-valve DN | 24:1 | 36:1 | 41:1 | 47:1 | 68:1 | ||||||||||||
| CONNECTION-SIZE | |||||||||||||||||
| FLANGE | F07 | F10 | F10 | F12 | F12 | F14 | F16 | F12 | F14 | F16 | F16 | / | F20 | / | / | F25 | |
| D | 90 | 125 | 125 | 150 | 175 | 210 | 175 | 175 | 210 | 210 | 255 | 255 | 255 | 255 | 300 | 175 | |
| PCD | D0 | 70 | 102 | 102 | 125 | 140 | 165 | 125 | 140 | 165 | 165 | 197 | 200 | 216 | 225 | 254 | 125 |
| N-H-DP | 4×M8 -12 | 4×M10 -15 | 4×M12 -18 | 4×M16 -24 | 4×M20 -30 | 4×M12 -18 | 4×M16 -24 | 4×M20 -30 | 8×M16-24 | 4×M20 -30 | 8×M16 -24 | 8×M16 -24 | |||||
Concave and convex for choose | 55 | 70 | 70 | 85 | 85 | 100 | 130 | 85 | 100 | 130 | 160 | 150 | 160 | 200 | |||
| Concave and convex | 3(2.5) | 4(3) | 5(3) | 3(2.5) | 4(3) | 5(3) | |||||||||||
| Max stem Dia Φd | 28 | 35 | 45 | 50 | 70 | ||||||||||||
| Install-height | 68 | 81 | 90 | 96 | 107 | ||||||||||||
| handwheel | 250 | 320 | 360 | 460 | 600 | ||||||||||||
| APPEARANCE-SIZE | |||||||||||||||||
| A | 189 | 209 | 253 | 253 | 289 | ||||||||||||
| B | 144 | 154 | 181 | 181 | 198 | ||||||||||||
| E | 44.5 | 61.5 | 80.5 | 89.5 | 126 | ||||||||||||
| F | 116 | 138 | 179 | 185 | 260 | ||||||||||||
| H1 | 61 | 73 | 82 | 89 | 99 | ||||||||||||
| h | 34 | 41 | 54 | 54 | 59 | ||||||||||||
| Φ | 15 | 18 | 20 | 20 | 25 | ||||||||||||
| Q | 91 | 121 | 160 | 178 | 245 | ||||||||||||
The series is a 90°(±5°adjustable) part of the rotary manual drive device. Suitable for ball valves, butterfly valves, plug valves and other types of valves.The box is made of nodular cast iron with novel style and beautiful appearance. Flange all using ISO 5211 international standards, and the valve is more convenient. Ambient temperature

| Model | YZQ-136 | YZQ-178 | YZQ-275 | YZQ-525 | |||||||||
| TECHNICAL-PARAMETERS | |||||||||||||
| Ratio | 136:1 | 178:1 | 275:1 | 525:1 | |||||||||
| Input torque N.m | 130 | 150 | 150 | 150 | |||||||||
| Output-torque Nm | 4500 | 7000 | 9000 | 18000 | |||||||||
| Mechanical efficiency M.A.±10% | 34.5 | 47 | 60 | 120 | |||||||||
| Butterfly valve DN | 600-650 | 700-800 | 900-1100 | 1200-1300 | |||||||||
| Ball-valve DN | 350 | 400 | 450 | 500-600 | |||||||||
| CONNECTION-SIZE | |||||||||||||
| FLANGE | F16 | / | F20 | / | / | F25 | F16 | F25 | F25 | F30 | F25 | F30 | |
| D | 210 | 255 | 255 | 255 | 255 | 300 | 210 | 300 | 300 | 350 | 350 | 350 | |
| PCD | D0 | 165 | 197 | 200 | 216 | 225 | 254 | 165 | 254 | 254 | 298 | 254 | 298 |
| N-H-DP | 4×M20 -30 | 8×M16 -24 | 4×M20 -30 | 8×M16 -24 | 4×M20 -30 | 8×M16 -24 | 8×M16 -24 | 8×M20 -30 | 8×M16 -24 | 8×M20 -30 | |||
| Concave and convex for choose | 130 | 160 | 150 | 160 | 200 | 130 | 200 | 200 | 230 | 200 | 230 | ||
| Concave and convex | 5(3) | 5(3) | 5(3) | 5(3) | 5(3) | 5(3) | 5(3) | 5(3) | 5(3) | 5(3) | |||
| Max stem Dia Φd | 70 | 75 | 95 | 110 | |||||||||
| Install-height | 107 | 125 | 146 | 157 | |||||||||
| handwheel | 600 | 600 | 600 | 600 | |||||||||
| APPEARANCE-SIZE | |||||||||||||
| A | 343 | 393 | 465 | 546 | |||||||||
| B | 252 | 266 | 307 | 370 | |||||||||
| E | 126 | 126 | 138 | 169 | |||||||||
| F | 264 | 286 | 335 | 374 | |||||||||
| H1 | 99 | 117 | 137 | 148 | |||||||||
| h | 59 | 61 | 69 | 76 | |||||||||
| L | 137 | 179 | 209 | 249 | |||||||||
| L1 | 104 | 128.5 | 159 | 84 | |||||||||
| Φ | 245 | 248 | 264 | 350 | |||||||||
| Q | 25 | 25 | 25 | 25 | |||||||||
Enquiry